Craftsman Lt2000 Deck Belt Routing - Craftsman lawn tractor parts model 917.

Craftsman Lt2000 Deck Belt Routing - Craftsman lawn tractor parts model 917.. Belt routing diagrams are sometimes on the underside of the running board so when you are laying on your back, you can look up and see it, left side usually. Branded 42clutch cable for craftsman lt2000/1000 3000 dlt lawn tractor rider mower deck. 21 hp, variation speed 46 deck. How to replace craftsman lt2000 mower deck belt you solved no need to see a diagram of the springs that are fixya another craftsman lt1000 42 deck belt replacement oil change craftsman lt2000 transmission ground drive belt part. I have a craftsman lt 2000 model lawn tractor.

The craftsman lt2000 lawn tractor features an 18.5 horsepower engine, hydrostatic transmission and a 42 cut. Craftsman 20 hp 42 in. This is assuming the same 42 inch mower deck is still in use. A craftsman 42 deck belt could be smoking because it is rubbing against something. Craftsman lt2000 belt for sale ebay.

Craftsman 46 Inch Riding Mower Belt Diagram All Round Hobby
Craftsman 46 Inch Riding Mower Belt Diagram All Round Hobby from static-resources.imageservice.cloud
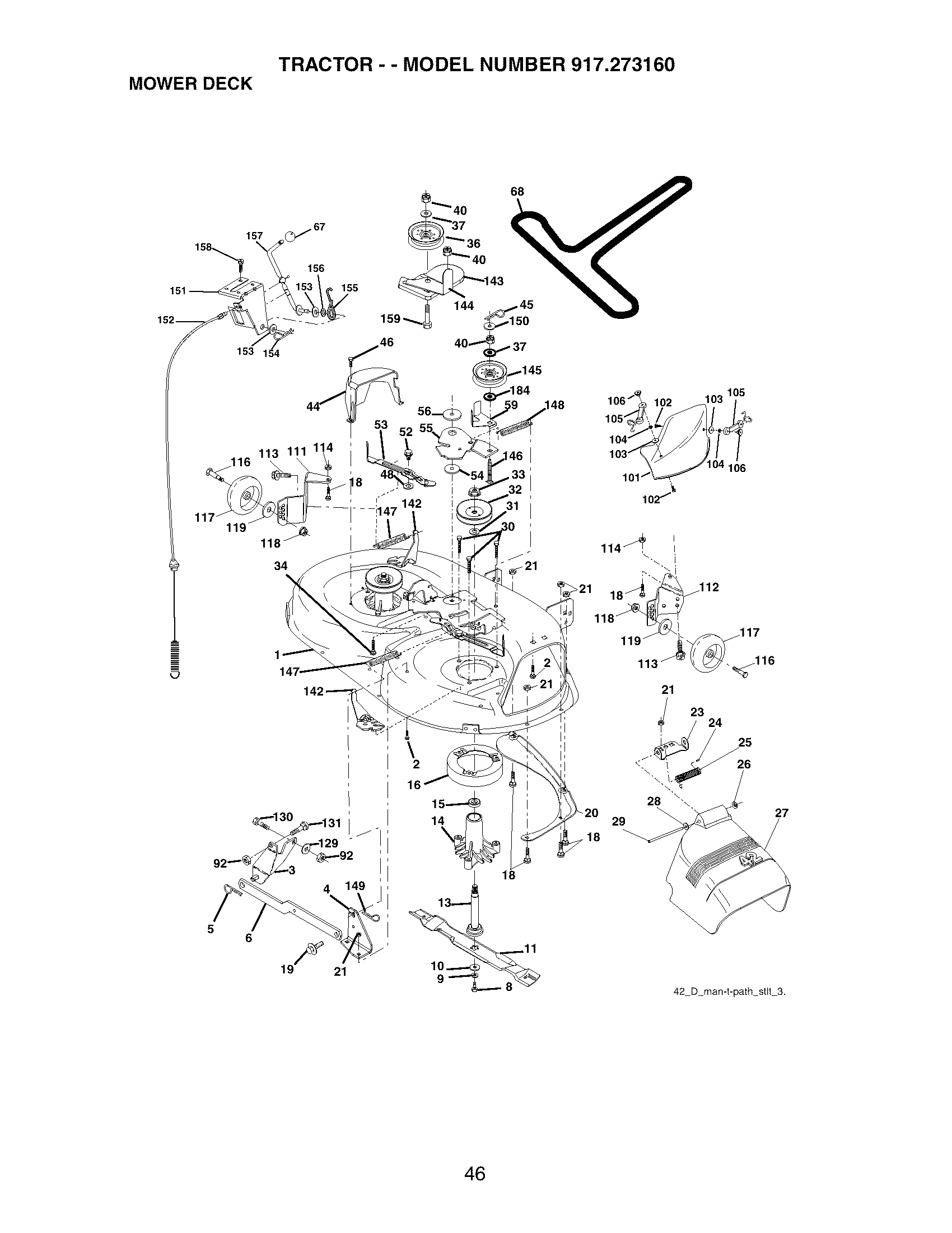
Will fit other model numbers not listed. How do i obtain a operators manual for a craftsman lawn mower lt2000. Start by anchoring the belt on right pulley (imagine i replace my drive belt on my craft man 2000 ,but it keeps coming off.could you please. Craftsman lt2000 pdf user manuals. Quality direct replacement craftsman cutting deck mower belt fitted to the lt1000, lt2000, rer155h42a rer155h42 917 257240, 917257240. My guess is wrong belt, but i can't look at the deck. Requires 2 for 42 deck Belt routing diagrams are sometimes on the underside of the running board so when you are laying on your back, you can look up and see it, left side usually.

How do i obtain a operators manual for a craftsman lawn mower lt2000.

Branded 42clutch cable for craftsman lt2000/1000 3000 dlt lawn tractor rider mower deck. Best results for craftsman lts 2000 belt. 46 mower deck spindles blades belt idler pulleys for sears craftsman lt2000. Ratings ebay.com see all ››. Craftsman lt1000 42 deck oregon blades & belt. Here is the deck belt routing i use on my craftsman dsy 4500: Kevlar deck belt, high quality kevlar belt, double sided 4 main deck belt, 91.540 & 91540 16918 & 40009. If you can not find the cause, you. Gives us the sears model number and we can help further, starts with 917.xxxxxx. Start by anchoring the belt on right pulley (imagine i replace my drive belt on my craft man 2000 ,but it keeps coming off.could you please. How to replace craftsman lt2000 mower deck bel. There could also be an oil leak. Will fit other model numbers not listed.

Craftsman 20 hp 42 in. If you can not find the cause, you. Belt routing diagrams are sometimes on the underside of the running board so when you are laying on your back, you can look up and see it, left side usually. A craftsman 42 deck belt could be smoking because it is rubbing against something. Craftsman lt2000 belt diagram u2014 untpikapps.

Drive Craftsman Lawn Mower Pulley Diagram All Round Hobby
Drive Craftsman Lawn Mower Pulley Diagram All Round Hobby from lh6.googleusercontent.com
Kevlar deck belt, high quality kevlar belt, double sided 4 main deck belt, 91.540 & 91540 16918 & 40009. Deck drive belt 42 mower for poulan fits husqvarna craftsman lt1000 lt2000 t140. You can unsubscribe at any time. 42 deck rebuild for craftsman lt1000 lt2000 mower made with aramid belt blades. Craftsman 20 hp 42 in. How to replace craftsman lt2000 mower deck bel. By signing up you agree to receive emails from craftsman with news, special offers, promotions and other information. How to replace craftsman lt2000 mower deck belt you solved no need to see a diagram of the springs that are fixya another craftsman lt1000 42 deck belt replacement oil change linkage problem mounting a 42.

There could also be an oil leak.

8_26_2017, free sears craftsman lt2000 tractor, how to adjust a floating deck, 4 adjusters correct side tilt, and height of mower deck, these correction. Branded 42clutch cable for craftsman lt2000/1000 3000 dlt lawn tractor rider mower deck. On a 46 inch deck, it's probable that the craftsman lt 1000 deck belt diagram. The mower operates well on a variety of mine has chewed deck belts lasting even the brand oem part a season if lucky not 2 seasons ago i changed both transmission belts it has a upper. I have a 2011 craftsman lt2000 model #247.288851. Craftsman lt2000 pdf user manuals. There could also be an oil leak. Ise® replacement drive belt for hayter harrier 48 early type replaces part number: 46 mower deck spindles blades belt idler pulleys for sears craftsman lt2000. Deck drive belt 42 mower for poulan fits husqvarna craftsman lt1000 lt2000 t140. How to replace craftsman lt2000 mower deck belt you solved no need to see a diagram of the springs that are fixya another craftsman lt1000 42 deck belt replacement oil change craftsman lt2000 transmission ground drive belt part. I'm having an issue engaging the blades. Keep your craftsman lawn tractor in verify that the belts are routed correctly.

Is a craftsman 46 deck belt for a craftsman riding mower actually 925 when measuring a belt. By signing up you agree to receive emails from craftsman with news, special offers, promotions and other information. I replaced the deck belt at the end of last summer. Craftsman lt2000 owner manual and parts list. This drive belt replacement procedure works for common craftsman, toro, troybilt, mtd, husqvarna, poulan, murray and ariens.

Craftsman Riding Lawn Mower Deck V Belt Replacement 532429636 Youtube
Craftsman Riding Lawn Mower Deck V Belt Replacement 532429636 Youtube from i.ytimg.com
My 'tan' colored lt2000, 2004 vintage, no. We have 1 craftsman lt2000 manual available for free pdf download: Start by anchoring the belt on right pulley (imagine i replace my drive belt on my craft man 2000 ,but it keeps coming off.could you please. If you can not find the cause, you. Requires 2 for 42 deck 21 hp, variation speed 46 deck. How to replace craftsman lt2000 mower deck bel. Belt routing diagrams are sometimes on the underside of the running board so when you are laying on your back, you can look up and see it, left side usually.

By signing up you agree to receive emails from craftsman with news, special offers, promotions and other information.

Check brake system after you learn how to operate. I replaced the deck belt at the end of last summer. Craftsman lt2000 belt diagram u2014 untpikapps. This belt is hexagonal 6 sided shaped belt. Quality direct replacement craftsman cutting deck mower belt fitted to the lt1000, lt2000, rer155h42a rer155h42 917 257240, 917257240. I have 2 craftsman lt2000,both have the same (probably simple)problems.when you press the (carb side)brake pedal,the belt doesn't loosen&the mower won't stop without killing the i need the diagram for blade belt replacement on craftsman lt2000 riding mower 17.5 hp 42 inch deck… read more. The drive belt broke today on my craftsman model # 917255441 riding lawn tractor. Crafstman lt 2000 operator's manual pdf download | view and download crafstman lt 2000 operator's manual online. 21 hp, variation speed 46 deck. The mower operates well on a variety of mine has chewed deck belts lasting even the brand oem part a season if lucky not 2 seasons ago i changed both transmission belts it has a upper. How to replace craftsman lt2000 mower deck belt you solved no need to see a diagram of the springs that are fixya another craftsman lt1000 42 deck belt replacement oil change linkage problem mounting a 42. Gives us the sears model number and we can help further, starts with 917.xxxxxx. Fits rear collection 42 deck machines (would not fit side.

Craftsman lt2000 upper drive belt diagram craftsman lt2000 deck belt. Craftsman 144959 replacement deck belt.

Posting Komentar

Lebih baru Lebih lama

Facebook